5-矿山井下无轨设备维修工艺的探索与应用
矿山井下无轨设备维修工艺的应用
一、研发背景
八十年代以来,焦家金矿作为国内较早引进无轨设备用于采掘作业的黄金矿山,一直致力于黄金矿山无轨设备的技术研发和维修工艺优化。后期大型集成化进口无轨设备的引进,安全性能和工作效率大幅提升,随着设备性能的提升和发展,对维修工艺的要求也越来越高。
近年来,焦家金矿以安全作业为根本,围绕降本增效,以提高作业效率和解决设备一线作业的主要难题为出发点,开展技术攻关。现将主要成果介绍如下:
二、成果内容
(一)一种多级过滤的发动机进气系统的应用
1.立项背景:
空气滤清器是各种发动机,尤其是车用发动机不可缺少的保护屏障。空气滤清器是发动机的进气系统的重要组成部分,作用是滤除进气中的灰尘,为系统提供清洁的空气,保护发动机的气缸、活塞及活塞环,延长发动机的使用寿命,同时还能降低发动机的进气噪声和烟度。据统计,发动机的早期磨损70%与空滤有关,空滤的改进直接关系到发动机的动力性、经济性。对于工作在矿山、沙漠等高尘地区的工程车辆,空气滤清器显得更为重要。当前工程车辆使用的空滤多为干式过滤式滤清器,此类滤清器需要定期清除灰尘或更换滤芯,如果不及时除尘或更换滤芯,滤芯中将截留大量沙尘,使其很快失效或击穿,引起发动机进气阻力迅速升高,导致性能恶化,甚至损坏。为了解决传统工程车辆空滤存在的问题,特针对矿山阿特拉斯ST-2D铲运机进气系统进行研究,将原车的干式过滤式滤清器改为“干湿结合三级过滤”,保证了发动机进气的清洁,同时也缩短了空滤滤芯的更换周期。
2.详细技术内容
多级过滤的发动机进气系统的结构简图见图1。含尘空气首先进入惯性式滤清器1,从进气口进入切向螺旋进气道,气流在螺旋进气道内做旋转运动,将气流中的大颗粒抛向气道外壁,经集尘槽道收集后,通过排尘口排到集尘室2,一级过滤完成。初级过滤后的空气进入油浴式空气滤清器3,空气通过进气道到达底盘油面,在气流的推动下,空气中的杂质与油品接触,并使之附着油膜。随后空气通过金属丝滤层,被油膜包裹的杂质粘附在金属丝中,空气杂质得到进一步过滤,湿式过滤完成。最后,空气通过连接管道4、5、6进入干式过滤器,气流沿近似切线方向进入干式滤清器7进气口,从滤芯内部通过滤芯,灰尘、油烟等杂质被挡在滤纸上,洁净的空气经过滤筒出口流出,后经过连接管道导引进入发动机进气端。三级过滤完成。

图1 “三级过滤”进气过滤系统的结构简图
3.主要技术创新点
本设计主要针对矿山井下高尘环境,将惯性式、油浴式、干式三种空气滤清器有效结合,利用各类滤清器的不同特点,延长滤清器使用周期,提高发动机进气清洁度,满足进气流量要求。“三级过滤”进气过滤系统工作流程图如图2.

图2 “三级过滤”进气过滤系统工作流程图
空气中悬浮的颗粒为灰尘,以尺寸范围大致为1-1000 μm,尺寸大于200 μm和小于1μm的灰尘颗粒,对发动机摩损影响很小,因为大于200μm的灰尘颗粒子在空气中不易飘浮,迅速沉降。大于200 μm和小于1μm的灰尘颗粒,对对发动机的磨损影响很小。主要是大于200 μm的粒子难以进入摩擦副,而小于1μm的灰尘颗粒又处于摩擦副油膜之内。
车用空气滤清器处理的对象主要是空气中1-200μm的颗粒。从空气滤芯器过滤的角度,把灰尘颗粒划分为三级:(A)类、1-5 μm ,(B)、5-30 μm,(C)类、30-200 μm,(A)类粒子过于微小、普通惯性油浴式或旋流管难以滤除,(B)类粒子用高效空气滤清器容易滤除。(C)类粒子,一般粗滤器可以分离出来。
惯性式滤清器:主要通过杂质的密度比空气大,在旋流的过程中,利用离心惯性力的不同,将杂质分离。主要过滤密度比较大的粉尘、颗粒,主要分离(C)类杂质和部分(B)类杂质。
油浴式滤清器: 空气进入滤芯后,气流一直向下流动,冲向机油表面,然后再改变方向,由于惯性部分较大的尘粒落入油池,还有一部分的尘粒则被机油粘附。该滤清器使用周期长,过滤效果明显。主要处理(B) 类和(C)类杂质及部分(A)类杂质。
干式空气滤清器:该滤清器主要由滤清器端盖铁网和滤纸组成,滤芯采用微孔滤纸,表面经过特殊处理。在发动机工作时,,空气以一定的速度通过微孔进入滤芯纸格的外表面,尘土等杂质被粘附在纸格的外表面,透过滤纸的空气就变得清洁。此类滤清器具有重量轻,安装方便和滤清效率高等优点。在本设计中用作第三级过滤,主要分离前两级过滤未处理的杂质,保证发动机进气的清洁。
(二)一种铲运机翻斗油缸防护系统的应用
1.背景技术
当前,铲运机在矿山应用日益广泛。铲运机工作系统主要采用液压传动,各类液压缸作为液压系统的执行元件,主要通过将液压能转变为机械能,完成铲运机的各类直线往复运动或者摆动运动。其中翻斗油缸主要作用于铲斗,通过液压缸杆伸缩完成铲斗的翻转。在实际生产中,铲斗铲装完成后,铲斗需上提,保证矿石装满铲斗,在此过程中矿石可能从铲斗掉落,砸伤油缸缸杆。一旦缸杆被砸,表面的光滑面将出现划痕,再往复运动的过程中,极易将密封圈、挡圈、防尘圈之类的密封结构拉伤,造成油缸漏油,影响油缸使用寿命。
翻斗油缸一般质量很好,如果没有密封问题,使用周期至少在一年以上。油缸缸杆被砸伤后,密封系统会出现漏油问题,且油缸密封系统相对精密,维修工作较麻烦,很难达到密封效果。
翻斗缸典型结构如图3:

图3 液压缸典型结构
2.油缸防护系统主要结构和主要特征
提供一种铲运机翻斗油缸防护系统,防止从铲斗掉落的矿石砸伤油缸缸杆。采用以下技术方案:
油缸防护系统主要分两部分,一部分是固定在铲斗上的引流板,另一部分是安装在油缸前端的防护模块。
其中,防护模块为防护主体,如图4所示,包括翻斗油缸1,翻斗油缸1通过其油缸缸杆2连接有连杆7,连杆7的前端安装有铲斗6。通过下螺栓3固定在连杆7后端部的安装板4,安装板4的前端部安装有销轴8。通过销轴8连接在安装板4上方的防护钢板9以及前端通过上螺栓10安装在防护钢板9后部下侧面上的防护胶垫11。其中安装板4的后部下沉(即向下方折弯),用以在安装板4和防护钢板9之间留出防护胶垫11的安装空间。安装板4和防护钢板9后端平齐,防护胶垫11从平齐端伸向后方的长度等于油缸缸杆2的最大伸出长度(图4所示状态)。

图4 油缸防护系统结构和工作原理示意图
铲斗上提过程中,防护钢板9绕销轴8转动张开一定角度,从铲斗6掉出的矿石落在防护钢板9和防护胶垫11上,而不会损伤油缸缸杆2。防护胶垫11为柔性材质,油缸缸杆2收缩时允许防护胶垫11在长度方向上受挤压变形。
为了从源头上尽量减少矿石掉落,在所述铲斗6的上沿焊固V形分流板5(见图5)。从铲斗6掉出的矿石首先落在V形分流板5的上表面,并被向两侧分流,大部分直接落到地面。

图5是油缸防护系统V形分流板的结构形状示意图
图6为防护主体三维结构示意图

图6 为防护主体三维结构示意图
3.创新点与先进性:
“V”型分流板设计有效分流铲装过程过滑落的矿石,防止矿石砸伤油缸、车桥等配件。
固定在油缸前端连杆上的缸杆防护模块,防护钢板能够有效阻止矿石直接砸伤缸杆,为刚性防护。橡胶垫为柔性防护,为可能直接与缸杆接触的元件。二者的结合取长补短,柔性和刚性相结合,更好地发挥防护的作用,延长油缸使用周期。刚性防护和柔性防护相结合,满足油缸伸缩不同状态对油缸缸杆的防护。
(三)一种防外泄铲运机燃油油箱盖的应用
1.
项目概况
在实际工作中,铲运机燃油箱口与燃油箱结合面经常出现大量油迹,随着使用时间延长漏油频次、数量逐渐增多,造成了资源的浪费和对环境的污染,且存在一定安全隐患。针对此情况,整改油箱盖漏油问题,研究出一种高效耐用、防止燃油外泄的燃油油箱盖,成为需要迫切解决的问题。
2.项目内容
2.1 原车油箱盖问题分析:
经分析燃油箱密封圈长期使用导致渗漏。油箱盖密封垫圈的耐油性能较差,长期使用造成橡胶性能急速下降,油箱盖弹片可靠性不足,易变形,是导致漏油的主因。
2.2 工作原理:当发动机工作时,系统内因柴油的消耗,造成气压降低,使油箱内压力小于油箱外的大气压力。为防止油箱内压力和大气压力相差过大,需要一个通气阀块来调节油箱内外的气压,这个阀块通常装在柴油箱盖上,因此柴油箱盖不仅有遮盖油箱,防止燃油窜出的功能,还有平衡燃油系统内部压力的作用。
当前,市场是带有呼吸阀块的油箱盖种类很多,但是对于负压开启力和开启后的流量并没有明确的国家标准。需要根据铲运机工作实际情况,在保证燃油系统安全性的情况下自行制定设计标准。
2.3 基本结构
油箱盖实物图见图7,该油箱盖结构包括通气阀块,主体箱盖,底座三部分。底座通过焊接固定在燃油箱上,另一端攻丝,主体箱盖拧在底座上,主体外沿做粗糙面处理,增大摩擦力,方便油箱盖旋进、旋出,上端通气阀块通过螺纹连接在主体箱盖上。

图7 防外泄铲运机燃油油箱盖实物图
3. 创新性和先进性
3.1该油箱盖主要通过焊接和螺纹连接,密封性好,燃油很难蹿出泄露。
3.2通气阀块单向导通,防止燃油蹿出的同时,能够有效调节油箱内气压。
3.3箱盖设计巧妙,结构简单,加工安装方便。
3.4该油箱盖制作加工成本较低,使用寿命长。
(四)无轨设备车用板材件压制成型机的应用
1.现状描述:
焦家金矿引进使用无轨设备已近30年,而矿用无轨设备常年在井下工作,受井下高温潮湿环境、及狭窄巷道影响,车体页板防护锈蚀、碰刮变形严重,直接影响了设备性能和正常工作。
2015年,焦家金矿针对无轨设备已到大修周期、综合性能下降的现状,开始开展无轨设备自主大修工作。通过综合检测、维修、更换等手段对主要操控、工作、液压、行走、电气等系统进行大修。但车体机架、页板、护板、盖板等板材件的加工制作遇到了瓶颈,矿部生产车间无弯折、冲压车床,车体板材厚度从6mm到16mm不等,弯折角度多样,很难依靠单一引进机床设备满足多类板材压制工作。引进成本高配机床,将直接提高大修工作成本。
在此情况下,技术人员专题立项,对矿山无轨板件压制工作开展深入研究实验。
2.方案措施和示意图:
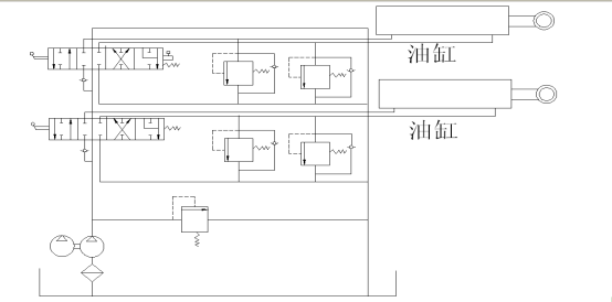
2.1系统简介
该板件压制机工作装置和液压系统包括主体机架1、工作油缸2、操作系统3、多路换向阀4、配电控制箱5、电机6、双联泵7、压力表盘8、液压油箱9、压制系列刀具10、模具11及液压管路等。无轨设备板件压制机实物图如图 8。

图8 无轨设备板件压制机实物图
2.2工作原理
设备工作原动力来自电动机,由三相异步电动机驱动双联泵作为动力元件的液压系统,通过多路阀、溢流阀、单向阀、减压阀等阀块工作实现执行元件液压油缸控制,在操作手柄作用下,缸杆实现往复伸缩功能,同时带动刃具上下移动,配合工作台上的磨具,完成板件压制、定角度成型工作。
当多路换向阀处于中位时候,电动机通过皮带驱动双联泵供油,油液通过多路阀回油口直接回油箱,油缸不动作。
当操作手柄操作至举升位置时,油泵的油液通过多路换向阀流向举升缸底部,底部缸体内油压上升,推动活塞杆上移,带动刃具上提,油缸上侧油液通过多路阀回油箱。
当操作手柄操作至下降位置时,油泵的油液通过多路换向阀流向举升缸上部,上部缸体内油压上升,推动活塞杆下移,带动刃具下压,与工作台面上的模具配合完成板件压制工作,油缸上侧油液通过多路阀回油箱。
主工作泵选用双联齿轮油泵,工作油泵排量为40ml/r,系统额定压力为16MPa,工作油箱容积为40L,选用的液压油为46#耐磨液压油。

图 9无轨板件压制机液压系统图
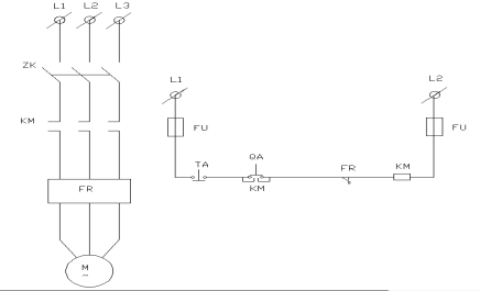
2.3电气系统工作原理
无轨板件压制机电气系统采用380V交流电源,带动5.0kw电动机为整个工作系统提供动力源。并配置良好的接电保护系统,确保设备安全使用。电气控制系统原理图如图10.

图 10.压板机电气控制系统原理图
3.无轨设备板件压制机工作过程
无轨板件压制机工作过程中应保证双人配合作业,一人负责操控液压系统,同时监督整个工作过程安全,另一个负责板件压制定位控制。双人共同作业,进一步提高了整个工作过程的安全性。见压制机实物图及压制成品图

图 11 无轨压板机实物图
图12 定型压制出的成品件分别为:轮胎页板、多路阀护板、发动机盖板
4.创新点和先进性分析
4.1液压系统采用双联泵供油,通过压制机油缸在工作循环中的容积变化实现刀具升降,双联泵的工作压力跟随负载变化,实现了压力和流量适应,降低了双联泵的驱动功率和运行时的能耗和发热。
4.2系统采用了多路阀,适应了压制机油缸快速升降时回路内大流量油液的流动要求,并且具有响应快、冲击小、密封性好的优点。
4.3与一般机械传动冲床相比,采用此液压系统驱动的压制机结构简单、体积小、成本低、噪声小、工作平稳。而且在工作行程中,冲剪力均能达到最大值,特别适用于板材成型加工,工作频率可与机械冲床相媲美。该压制机液压系统可以推广至具有类似工况的压力加工设备中。
三、综合经济效益分析
1.一种多级过滤的发动机进气系统的应用
以我矿区20辆阿特拉斯ST-2D铲运机的应用情况为例,
通过本设计对原车制动系统的改进,降低了设备故障率,减少设备维修时间,提高设备利用率,直接带来新增利润达50万元。
空滤方面:原系统干式空滤滤芯平均2到3天就要更换一套,新系统干式空滤滤芯的更换周期为15到30天(受井下环境湿度等因素影响)。20辆车平均每月节省近200套滤芯,每套滤芯成本430元。干式滤芯节约成本103.2万/年。
发动机方面:原系统发动机工作寿命平均为1.5年,新系统下发动机工作寿命,保守估计可延长到2到2.5年年。发动机单价为12万/台,单车发动机年节约成本约为2万元,节约成本合计40万/年
发动机系统改装费用和成本:1000元*20=2万
合计:103.2+40+40-2=141.2万/年
2.一种铲运机翻斗油缸防护系统的应用
以我矿20台ST-2D铲运机为例:
单车年节约翻斗缸4件;翻斗缸单价8800元/件(国产);单车年节约液压油100KG;单车节约修理包、丝头等相关配件8460元/年;单车人工费150*4*3=1800元/元;
单车油缸防护系统成本(含人工费,油漆费,材料费,加工费等,其中主要钢材,橡胶板为修旧利废工作中收集的再用物资)550元;
预计年累计节约成本为:92.4万元。
3.一种防外泄铲运机燃油油箱盖的应用
原油箱盖单价380元/个,每车每年消耗2到3个,且会导致油箱燃油蹿出浪费。
新油箱盖单个成本为80元,为自行加工制作,节省设计加工费。
以分矿30辆铲运机为例,年直接创造经济效益为:3.5万元
4.无轨设备车用板材件压制成型机的应用
直接经济效益分两部分,一是同类型冲压机床报价在35万左右,该压板机制作加工成本为5000元,节约成本30.5万元,二是压制板件加工费,按照单车整车板材加工费为9000元计算,望儿山金矿每年需更换板材的设备达20台,合计节约加工费为9000*20=18万元。
累计节约经济效益达48.5万元。