2-无轨设备电源未关安全闭锁报警

首页    科技2    2-无轨设备电源未关安全闭锁报警

无轨设备电源未关安全闭锁报警

一、研发背景

1设备安全生产与节能降耗的原则

在安全生产,节能降耗的大形式下,安全生产,节能降耗不仅仅从管理方面考虑,还要从技术角度入手来保证设备的安全运行。

2设备司机疏忽因素造成的安全隐患

由于无轨设备部分电气线路由于长期处于设备高温运行的环境中,如铲运机发动机两侧照明线,马达启动线,主电源线等都不同程度的出现了老化,存在轻微的爬现象

交接班的设备停止运行时间段,设备处于无人值守状态,由于司机疏忽导致电源忘关的现象时常存在,这种现象不仅造成设备电瓶亏电而且由于设备周围存在可燃性气体环境,线路防火面临严重的考验,虽然管理人员采取各种管理手段督促司人走电源人走电源没关的现象偶有发生。

2.






成果内容

1、






实现方案

1)本着不影响原有电控系统稳定性可靠性的情况下,技术人员原铲运机系统进行了试点升级改造,当设备熄火时,控制系统发出报警声,提醒司机该设备处于没关电源状态,以便及时关掉电源,避免了因为电源未关导致的电瓶亏电现象,一定程度的起到了节能降耗的作用。

2)改造成本低、技术可靠,易于施工,推广性强。

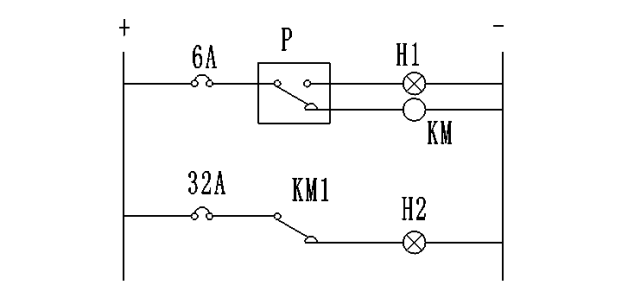
2工作原理(见图)

当发动机正常运转时,发动机机油压力升高,其正常压力值13-85psi之间,该压力可以保证机油压力开关的常闭触点断开,从而切断控制系统回路而无法报警,此时报警控制系统处于待命状态

当设备停止运转时,发动机机油压力为此时机油压力开关P切断警回路,警控制继电KM失电其常闭触点KM1接通报警H2控制系统发出报警声,提醒司机该设备处于没关电源,可以督促司机及时关掉电源,保证了设备人走电源

(原理图如下)

img1


工作原理图

3、主要构成系统

1检测元件机油压力开关P

形式的机油压力传感器,可以直接采集发动机机油压力信号,其工作值在0psi13-85psi之间,并将机油压力值转换为0v24v的电信号,作为本报警系统的控制信号。

(2)






控制继电器kM

该元件能够处理机油压力传感器P输出的电信号,kM线圈接24v电压时,控制回路被切断,当电信号0v时接通控制回路,此时,通过其触KM1接通报警系统的主回路。

3触点KM1信号放大部分

本报警系统中报警器功率大,而机油压力开关是信号采集器件,其允许的工作功率远远小于报警器工作功率,为了保证控制回路的可靠性及系统的稳定性,对原来的机油压力开关输出控制信号增加驱动放大回路,从而有效解决了系统中的机油压力开关和报警器的功率匹配问题,保证了控制系统的控制元件与执行元件的良好配合。

4执行元件报警器H2

当电源没关时机油压力开关收集信号会立即触发报警系统并传输到报警器进行报警,提醒驾驶员及时关闭电源

(5)






保护元件:6A/32A断路器

当回路本身出现故障时,能及时切断回路,防止故障的扩大。线路检修时,可以切断该回路,保证回路安全。

安全闭锁报警特点

1靠性、独立性

将发动机机油压力传感器采集的机油压力转换为0v24v的电信号采用独立控制回路,没有复杂的连锁控制,不影响原系统的功能。

为了增加工作可靠性,对原来的机油压力开关输出控制信号增加驱动放大回路,从而有效解决了系统中的机油压力信号和报警器的功率匹配问题,保证了控制系统的控制元件与执行元件的良好配合,达到了可靠工作的目的。

2、






成本低、易于施工,推广性强

本系统原理简单,且易于施工,即便是在运行过程中出现失效情况,维修人员也有能很好的维护,所需备件采购价格低,符合低投入高效能的理念。

四、效益分析

本安全闭锁报警装置,当设备停止运转时能及时提醒司机关闭电源,从消防角度上提高了设备的安全性同时在一定程度上降低了电瓶亏电的损失到了的节能、设备安全运行双重目的。

2019年5月5日 22:06
浏览量:0
收藏