9-采空区全尾砂胶结充填脱水工艺的研发与应用
采空区全尾砂胶结充填脱水工艺
一、研发背景
1、矿山井下采空区全尾砂充填的发展
为提高矿山尾砂利用率和治理井下采空区,全尾砂胶结充填得到快速发展。玲珑金矿大开头矿区先后实验空区全尾砂胶结充填和全尾砂非胶结充填,取得良好效果
2、全尾砂充填的局限性
由于全尾砂含有一部分细颗粒尾砂和细颗粒的胶结料,细颗粒的存在一方面堵塞土工布滤水孔隙,导致土工布无法滤水,其次细颗粒比表面积大,水化膜的作用大,使自由水无法脱离,细粒级难沉降,造成脱水困难,空区内大量尾砂水排不出,充填料不胶结,形成较大隐患。
二、成果内容
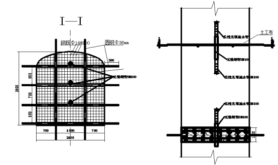
1、方案设计措施(见图1,图2)
采空区底部出矿穿设置滤水挡墙,并在脉外巷设置混凝土挡墙。
充填滤水墙预设3根无缝钢管DN100,并在3根钢管两端接上柔性滤水管(匝丝多股绑紧),滤水墙内侧的柔性滤水管一端与钢管相接,另一端封口。混凝土墙同样预埋3根无缝钢管DN100,3根钢管内侧均接上柔性滤水管,混凝土墙内侧的柔性滤水管一端与钢管相接,另一端封口。
各柔性滤水管尽可能加长盘旋均匀敷设,以增大与料浆接触面,但须固定吊挂。具体施工如图所示

图1 滤水板墙设置图

图2 柔性滤水管
2、工艺分类及实验对比
(1)、塑料波纹管打眼包土工布(简称塑波工艺)脱水和柔性充填滤水管加无缝钢管(简称柔钢工艺)脱水对比(在废旧巷道实验24小时后)。
1、全尾砂胶塑波工艺数据结果
质量浓度 | 配比 | 充填量(m³) | 泌水量(m³) | 泌水率(%) |
72% | 1:4 | 230 | 8 | 3.47 |
1:8 | 130 | 6 | 4.61 | |
1:10 | 255 | 13 | 5.02 | |
70% | 1:4 | 241 | 14 | 5.80 |
1:8 | 300 | 16 | 5.33 | |
1:10 | 320 | 18 | 5.62 |
2、全尾砂胶柔钢工艺数据结果
质量浓度 | 配比 | 充填量(m³) | 泌水量(m³) | 泌水率(%) |
72% | 1:4 | 232 | 17 | 7.32 |
1:8 | 120 | 9 | 7.5 | |
1:10 | 250 | 21 | 8.4 | |
70% | 1:4 | 265 | 21 | 7.92 |
1:8 | 310 | 25 | 8.06 | |
1:10 | 332 | 29 | 8.73 |
(2)塑料波纹管打眼包土工布工艺(简称塑波工艺)和柔性充填滤水管加无缝钢管工艺(简称柔钢工艺)脱水后单轴抗压强度对比(在废旧巷道实验24小时后)。
1、塑波工艺脱水后充填体单轴抗压强度 | |||||
组别 | 灰砂比 | 质量浓度 | 单轴抗压强度/MPa | ||
% | 7d | 14d | 28d | ||
B04-70 | 1︰4 | 70 | 3.35 | 4.11 | 4 |
B04-72 | 72 | 3.45 | 4.32 | 4.73 | |
B08-70 | 1︰8 | 70 | 2.14 | 2.55 | 2.67 |
B08-72 | 72 | 2.02 | 2.3 | 2.43 | |
B10-70 | 1︰10 | 70 | 1.72 | 1.53 | 1.38 |
B10-72 | 72 | 1.4 | 1.98 | 1.78 | |

塑波工艺脱水后的充填体(28d)
2、 柔钢工艺脱水后充填体单轴抗压强度 | |||||
组别 | 灰砂比 | 质量浓度 | 单轴抗压强度/MPa | ||
% | 7d | 14d | 28d | ||
B04-70 | 1︰4 | 70 | 4.1 | 4.52 | 4.38 |
B04-72 | 72 | 4.3 | 4.45 | 4.98 | |
B08-70 | 1︰8 | 70 | 2.97 | 3.51 | 3.77 |
B08-72 | 72 | 2.51 | 2.78 | 2.88 | |
B10-70 | 1︰10 | 70 | 2.16 | 1.83 | 1.43 |
B10-72 | 72 | 1.81 | 2.28 | 2.1 | |

柔钢工艺脱水后的充填体(28d)
三、柔性充填柔性滤水管结构特点分析
1、
刚柔结合
柔性充填柔性滤水管结构包括滤水管骨架、滤水网,骨架为弹簧钢圈。通过与无缝钢管相接,避免了滤水管在滤水挡墙和混凝土墙墙体内的挤压变形。
2、高滤水性
滤水网选用亲水性的滤布为滤水介质,能够防止滤水层吸附超细颗粒的泥浆而被堵死。高强度涤纶丝使管壁覆层与弹簧钢圈管体成为有机一体,具有很好的全方位滤水功能,渗透水顺利渗入管内,而水泥砂浆被阻挡在管外。
通过对现用塑料波纹管打眼包土工布脱水工艺的改进,大大提高了充填空区脱水效率和空区充填体早期强度。
四、效益分析
柔性充填滤水管加无缝钢管脱水工艺保证了井下全尾砂充填的安全系数,进而保障了玲珑金矿废旧巷道以及老采空区实施尾砂充填,并且利用充填采矿技术进行矿山开采,争取实现无尾矿山建设,具有较大的经济效益、环境效益以及社会效益。